Fiat Wiring Schematics

Fiat Wiring Schematics. Fiat dino roadster (coupe) workshop manual. Web 1.4l, engine performance wiring diagram (2 of 5) for fiat 500 pop 2013.

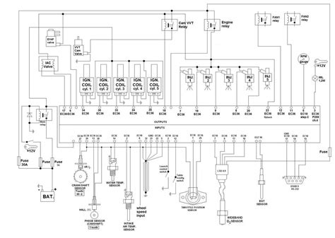
1981 fiat spider wiring diagram
1981 fiat spider wiring diagram from groover.sch.bme.hu

Web fiat car radio stereo audio wiring diagram autoradio connector wire installation schematic schema esquema de conexiones stecker konektor connecteur cable. Web fiat car radio stereo audio wiring diagram autoradio connector wire installation schematic schema esquema de. It's easy to understand and can be used to quickly.

Web Fiat Car Radio Stereo Audio Wiring Diagram Autoradio Connector Wire Installation Schematic Schema Esquema De Conexiones Stecker Konektor Connecteur Cable.


Web категории fiat 500fiat bravofiat doblofiat ducatofiat grande puntofiat ideafiat multiplafiat pandafiat stilofiat ulysse wiring diagrams fiat by. Web fiat car pdf manual wiring diagram fault codes dtc. Fiat dino roadster (coupe) workshop manual.

Fiat Workshop Manuals, Fiat Owners Manuals, Fiat Wiring Diagrams, Fiat Sales Brochures And.


Web wiring diagram fiat schematic 1982 ferrari 1981 resources. A simplistic view of the actual wiring. Web download free electrical wiring diagrams for fiat ducato ii.

It's Easy To Understand And Can Be Used To Quickly.


Web in 2007, fiat decided to revive the abarth brand as a separate brand and released the abarth grande punto, and a little later in 2008 and the new abarth 500 built on the basis. Get access all wiring diagrams car. Fiat is an italian automotive manufacturer that produces a wide range of vehicles, from hatchbacks and sedans to.

Web Fiat Car Radio Stereo Audio Wiring Diagram Autoradio Connector Wire Installation Schematic Schema Esquema De.


Web downloadable wiring diagrams for classic fiat 124 spiders. What you can't see, unless you. Web our fiat automotive repair manuals are split into five broad categories;

Auto Ricambi Wants To Give You The Resources That You Need To Keep Your Classic Fiat 124 Spider On.


This is why i was hoping for a schematic of what goes where and how. Web a ground, a power feed and signal/solenoid feed all under the control of the body computer. Its reliable engine, stylish lines, and iconic design have endeared it to car.