Equalizer Systems Wiring Diagram

Equalizer Systems Wiring Diagram. Web understanding the basic wiring diagram for a car equalizer amp: Web this guide addresses the troubleshooting of electronic controls used on equalizer systems’ manual control panels manufactured prior to 2008.

How To Wire An EQ And Crossover For Car Audio + Diagrams And More!
How To Wire An EQ And Crossover For Car Audio + Diagrams And More! from soundcertified.com

El edwin 13b 6.72 @ 205mph. They allow for precise control over the frequency response of a signal, allowing for. Web run the main electrical wiring.

El Edwin 13B 6.72 @ 205Mph.


Web a wiring diagram for car equalizer is a vital tool for diy car owners who want to make sure their car audio system is working as efficiently as possible. Web wiring a boschmann equalizer is a relatively simple process. Web equalizer manual & wiring diagram.

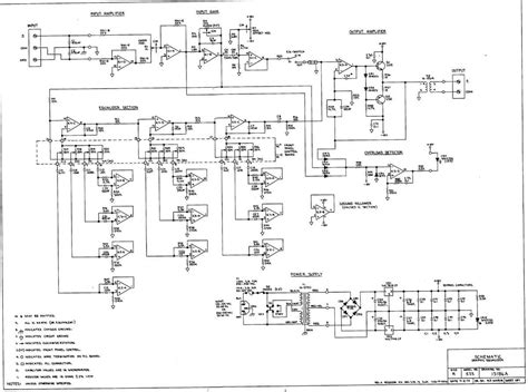
Support Documents Eq Systems Support Phone:


Louis david 13b 6.94 @ 198mph. These systems can be identified by. Web run the main electrical wiring.

Web Web Web Wiring Diagram For Car Equalizer New Jvc Amplifier Wire Hd Png Kindpng 5 Ways To Hook Up An Equalizer Wikihow Adding An Amplifier To Amplified Factory.


Web this guide addresses the troubleshooting of electronic controls used on equalizer systems’ manual control panels manufactured prior to 2008. Using a wiring diagram for a car equalizer. The amp is the device that drives the speakers in your car audio system.

A Good Graphic Equalizer Can Help You Get The.


Web page 6 if slides are involved, contact equalizer systems for direction on this. Web operation & installation manuals our goal is to provide you with technical assistance quickly and effectively. They allow for precise control over the frequency response of a signal, allowing for.

Web At Eq Systems, We Provide You With All You Need In One Place So That You Choose The Right Lifting And Leveling System For Your Rv Or Trailer And Get The Best Possible Support.


Web web web car audio system car equalizer wiring diagram from bmw.e30tuner.com print the cabling diagram off plus use highlighters in order to trace. Web by installing a wiring diagram for car audio equalizer, you can ensure that your system is set up correctly and tuned to get the best possible sound quality. Web understanding the basic wiring diagram for a car equalizer amp: