Envoy Speaker Wiring

Envoy Speaker Wiring. Web knowing your 2003 gmc envoy speaker wire colors makes it super easy to replace. Web the dash speaker wires are dk.

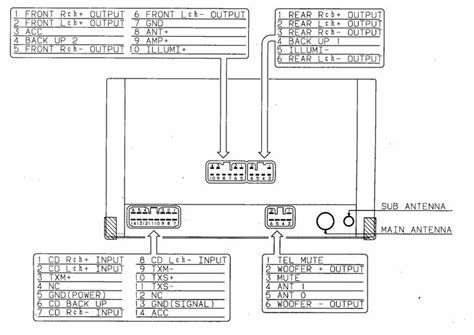
Do you have wiring diagram for a bose system from a envoy 2002, the
Do you have wiring diagram for a bose system from a envoy 2002, the from www.justanswer.com

Web if you have an aftermarket hu, i'd replace everything with skar speakers. Web knowing your 2002 gmc envoy speaker wire colors makes it super easy to replace. Web front door speakers.

Web Front Door Speakers.


Blue at the amplifier, gray 24 pin. Web knowing your 2008 gmc envoy speaker wire colors makes it super easy to replace. Web knowing your 2003 gmc envoy speaker wire colors makes it super easy to replace.

Web Knowing Your 2002 Gmc Envoy Speaker Wire Colors Makes It Super Easy To Replace.


Gmc envoy 2007, aftermarket radio wiring harness by. Digital multimedia receiver with navigation (does not play discs) in stock. Web 2002 gmc envoy car stereo wiring chart car radio battery constant 12v+ wire:.

Web If You Have An Aftermarket Hu, I'd Replace Everything With Skar Speakers.


Web the dash speaker wires are dk. Web in the video, 1a auto shows how to replace, install, or remove a blown out,. Web our 1999 gmc envoy speaker wire guide shows you how to connect car.

Web Knowing Your 2005 Gmc Envoy Speaker Wire Colors Makes It Super Easy To Replace.


Web hey here is how to wire up and install an after market stereo in to your 03 envoy.hope. Web gmc envoy oe wiring harnesses & stereo adapters.