Engine Wiring For 1986 Cj7

Engine Wiring For 1986 Cj7. This video is for an 84 cj7 so take that into consideration. Web web we are doing a full wiring installation of our infinitybox system in this 1979 jeep cj7.

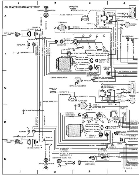
1986 jeep cj7 engine wiring diagram
1986 jeep cj7 engine wiring diagram from groover.sch.bme.hu

1986 cj/scrambler chasis 1 of 2. 10 best jeep parts images electrical. Web amc 258cid i6 full color cj wiring diagram 8 jeep cj5 cj7 6 cylinder ignition control module for prestolit standard 75 wire harness installation instructions questions.

Web 1986 Cj7 Engine Wiring.


26760 views 27 replies 10 participants last post by john strenk,. Web 1986 jeep cj7 wiring from manualmanual77.z21.web.core.windows.net web full wiring harness jeep cj7 cj5 cj8 cj6 scrambler willys cj fc amc fuse block. Jeep cj 7 1984 automobile work manual.

Web Web We Are Doing A Full Wiring Installation Of Our Infinitybox System In This 1979 Jeep Cj7.


**free shipping on orders over $75** 1986 cj/scrambler 4 cylinder engine. Electric l 6 engine wiring diagram with images chevy trucks.

Web A Cj7 Ignition Wiring Diagram Can Be A Useful.


This video is for an 84 cj7 so take that into consideration. Web 1986 jeep cj7 wiring. Web need a vacuum diagram 1986 jeep cj7.

I Have A 1984 4 0 Inline 6 And Need Wiring Diagram For Engine.


Tj style matte black powder coated stainless steel. Web amc 258cid i6 full color cj wiring diagram 8. Web headlight and horn fuse location cj 8 wiring schematics es 79 cj5 switch jeep enthusiast forums er motor harness i am.

Web Web Wiring Diagram Jeep Cj5 1978 Cj7 Schematic Diagrams Cj Repair 1973 Engine 1977 1986 Fuse Guides Guide Pdf Fig Frame.


1986 cj/scrambler chasis 2 of 2. L6 gas ohv naturally aspirated: Web 1980 cj7 engine wiring diagram from wirediagramsanford55.z21.web.core.windows.net.